デリヘル開業手続
■事務所物件をみつける(仮契約)。
※所有者から使用承諾書が貰えることを確認。
↓
■管轄の警察署へ届出用紙をもらいにいく
※事前相談を兼ねる場合があります。
↓
■事務所正式契約
※新規の場合、ほとんどの地域で受付所は設けることができません。
(受付所を設けることができるのは、例外的にごく一部の地域に限られています。京都府、大阪府、愛知県では全域不可です)
↓
■必要書類を取り揃え、届出書作成
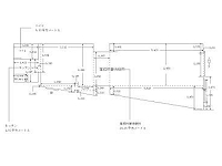
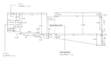
※届出書・営業の方法・使用承諾書・住民票・平面図・見取図など
(事務所周辺見取図については、ヤフーやグーグル他、市販の地図などを利用される場合、
著作権をクリアーしたものを求められることもあります)
↓
■届出書提出
※まだ営業はできません。
↓
■届出確認書交付
※届出確認書の交付を受け、届出日の10日後から営業できます。
↓
営業開始
手順をざっと示すと、上記の通りです。簡単に思われることでしょう。ただ、実際には、最初の段階で計画がとん挫してしまうケースを多く見かけます。
現実、自己所有物件でなく、賃貸の場合、使用承諾物件を見つけるのは少々骨が折れます。普通にマンションを借りるように不動産屋へ行っても、「ウチでは扱っていません」と言われることが多々あります(当事務所では、使用承諾物件仲介先不動産屋探しにおいてもサポートします)。
なお、届出確認書が交付されても、届出日から10日を経ない間は営業は一切できません。開業後は、従業者名簿の作成、保存が義務付けられています。ホームページについては、アップしただけで検索に引っかかるわけではありません。また、プロバイダーがアダルト商用利用ができるかどうか、事前に確認しておく必要があります。
事務所(使用承諾物件)検索(仲介先不動産屋紹介)からホームページ作成、SEO対策まで
■デリヘル(デリバリーヘルス)やアダルトショップなど、無店舗型性風俗特殊営業の開業をお考えの方、業界に精通している当行政書士までご相談ください。物件探しや届出を迅速に行うことにより、スピーディーな開業が可能となります。※フルサポートでは、事務所(使用承諾物件)物件検索(仲介先不動産屋紹介)も行っています。
■届出にあたって、書類作成および提出は自分でするが、書類の作成指導のみをお願いしたいという方もお気軽にご連絡下さい。費用を抑えつつ、スピーディーな開業が可能となります。
東京など、関西圏外の方、書類作成にあたって監修のみの依頼も承っています。全国対応です。
■開業後に必要な従業員名簿・業務委託契約書・雇用契約書・服務規定・誓約書・面接票などの作成も承っています。※フルサポートでは、左記書類ひな型が含まれています。
■ホームページ作成について、詳細はお問合わせ下さい。デリヘルホームページ作成
■デリヘル業務用データベース(キャスト月別売上実績簿・顧客利用実績簿など)作成します。詳細はお問合わせ下さい。データベース見本画像
デリヘル開業サポート内容・報酬についてはこちらまで。
■デリヘル開業フルサポートでは、以下内容が含まれています。
・デリヘル事務所・待機所物件検索(仲介先不動産屋紹介)
・届出書各種作成
・使用承諾書作成
・事務所平面図・求積図作成
・待機所平面図・求積図作成
・付近見取図作成(著作権をクリアーした見取図を作成します)
・従業者名簿ひな形
・業務委託契約書・雇用契約書ひな形
・誓約書ひな形
・面接票ひな形
・機密保持誓約書
・開業後3か月内における各種変更届作成(屋号追加・変更、電話追加・変更、ホームページurl追加・変更など)無料
(事務所または待機所の追加・変更については有償です)
・開業3か月内、各種相談無料
・キャスト別報酬支払台帳テンプレート(希望される方のみ)
・報酬支払明細書(日払い)テンプレート(希望される方のみ)
※開業フルサポートご依頼の方、ホームページを特別料金にて作成(SEO対策含む)いたします。
開業フルサポートでは、下記についてもアドバイスさせて頂きます。
・源泉徴収について(男性スタッフ・女性スタッフ)
・雇用契約、業務委託契約について
・風営法、条例以外に気をつけなければならない各種法令について
・スタッフ募集の際の注意(ドライバー・女性スタッフ)
デリヘル開業サポート業者について
こちらを参考にされて下さい。
デリヘル開業サポート業者について



















