クラブ ラウンジ スナック 許可 吉祥寺 武蔵野市
クラブやラウンジなど(含ホストクラブ)、接待を伴う場合は飲食店営業許可の他、風俗営業の許可も必要です。なお、風俗営業許可申請にあたっては、許可申請書の他、以下の書類が必要です(個人の場合)。
・営業の方法を記載した書類
・営業所の使用について権原を有することを疎明する書類(使用承諾書・建物賃貸借契約書)
・全部事項証明書
・住民票
・身分証明書(本籍地の市区町村長発行)
・法務局登記官の発行する登記されていないことの証明書
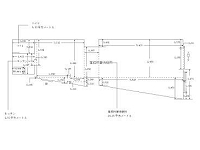
・営業所の平面図(照明設備・音響設備含む)及び営業所の周囲の略図
・求積図
・飲食店営業許可証の写し
・写真(管理者証用)2枚
・誓約書
※その他、建築確認書、用途地域証明書、取下げに関して異議申立てしない誓約書などが必要な場合もあります。詳細はお問い合わせ下さい。
※届出にあたって、書類作成および提出は自分でするが、サポート(有償)だけはお願いしたいという方もお気軽にご連絡下さい。
※営業所の平面図(求積図含む)作成や照明音響配置図のみの依頼も承っています。ご相談ください。
※開業後に必要な従業員名簿・雇用契約書・服務規定・誓約書・面接票などの作成も承っています。
※当方、祇園で店舗経営の経験のある行政書士です。
変更届の未提出につき、ご注意下さい。
例)
・氏名、名称及び住所、法人では代表者氏名
・営業所の名称
・管理者の氏名、住所
・法人の場合、役員の氏名、住所
・営業所の構造または設備につき軽微な変更をしたとき
キャバクラ・クラブ・ラウンジなど風俗営業 開業後に必要な書類についてもご相談下さい。
例)
・従業者名簿
・ホステス・キャスト業務委託契約書
・雇用契約書(労働契約書)
・誓約書






